
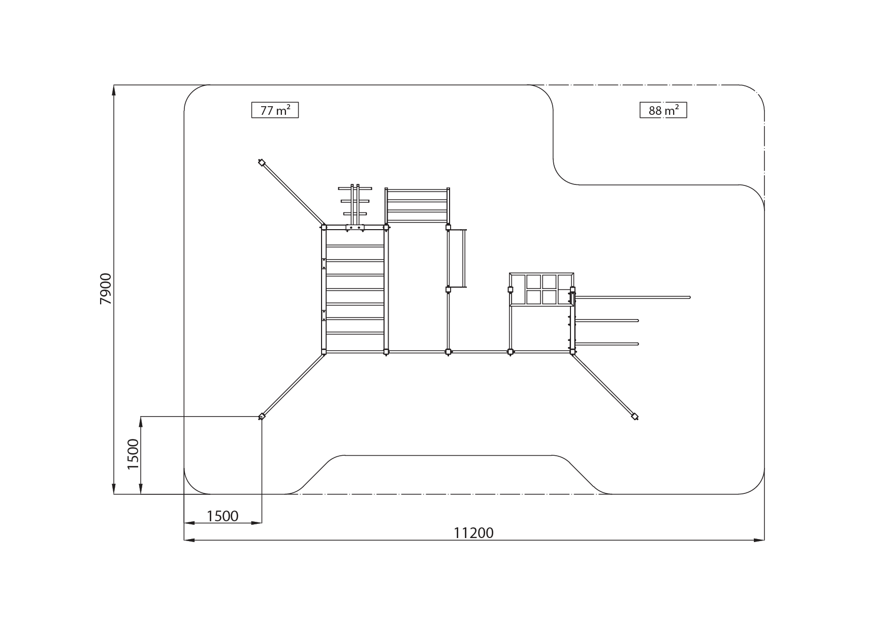
The product consists of: 2 horizontal ladders, a vertical ladder, triple parallel bars, a monkey bar, 2 chin pull bars, a cross bar, chin pull and back muscle bars of various grip widths and directions. The construction of the device is made of vertical steel profiles measuring 80 x 80 mm with a wall thickness of 5 mm, and the training devices are attached to it with a bolt connection. Material: Powder-coated metal; hot-dip galvanised and powder-coated on request. The equipment is fixed to the ground by concreting, and an anchor bolt connection is available as a special solution. The set is TÜV certified according to the standard EN 16630: 2015.
