Fyrirspurnakarfa
Karfan þín er tóm
Þú virðist ekki hafa bætt neinu í körfuna þína. Þú getur skoðað vörur frá TipTipTap og Flexizone

Outdoor exercise complex 3

4+
2.18
3.33
2.34
2.36
Lita tegundir

Upplýsingar

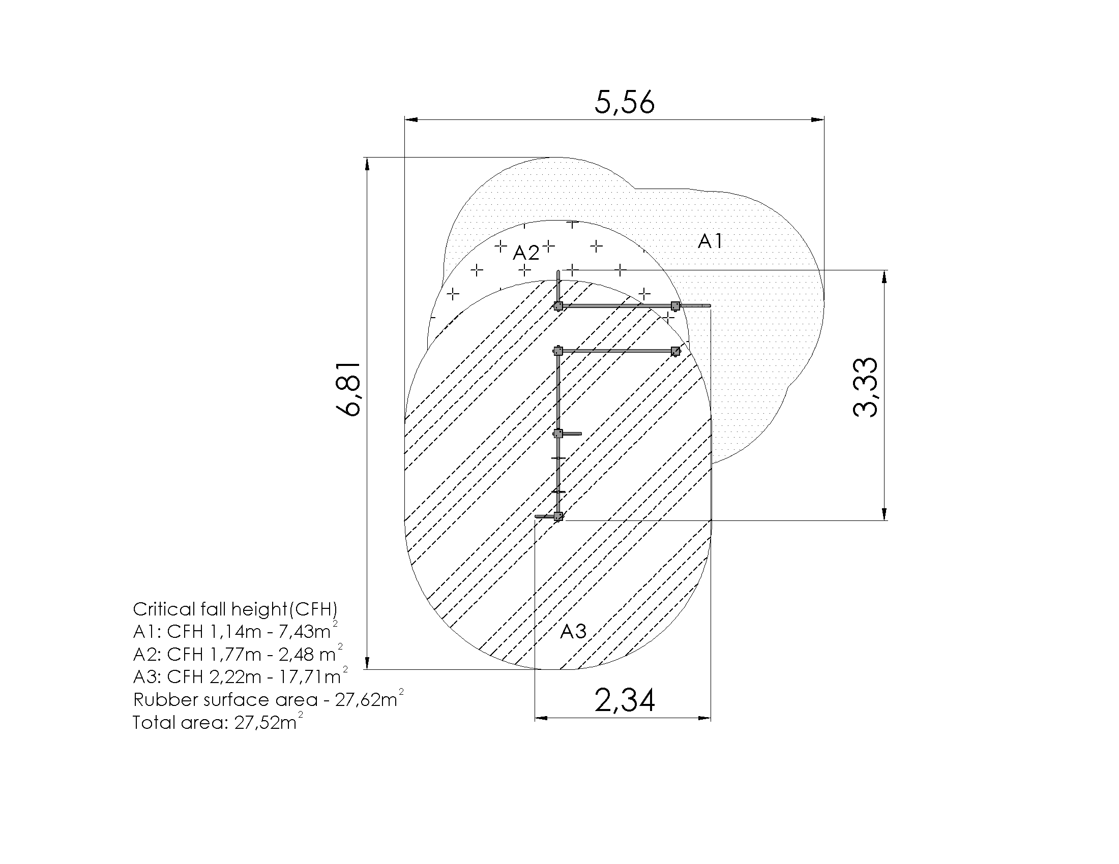
The compact outdoor exercise complex consists of parallel bars and a dual hang bar that is also equipped with hanging rings and stretching elements.

Frekari upplýsingar

Tæknilegar upplýsingar
Breidd öryggissvæðis: 
5.56
m
Lengd öryggissvæðis
6.81
m
Breidd
3.33
m
Lengd
2.34
m
Hæð
2.36
m
Hámarks fallhæð
2.18
m
Ráðlagður aldur barna
4+
ára
Fjöldi leyfður samtímis
3-6
börn
Öryggissvæði

Fleiri leiktæki