
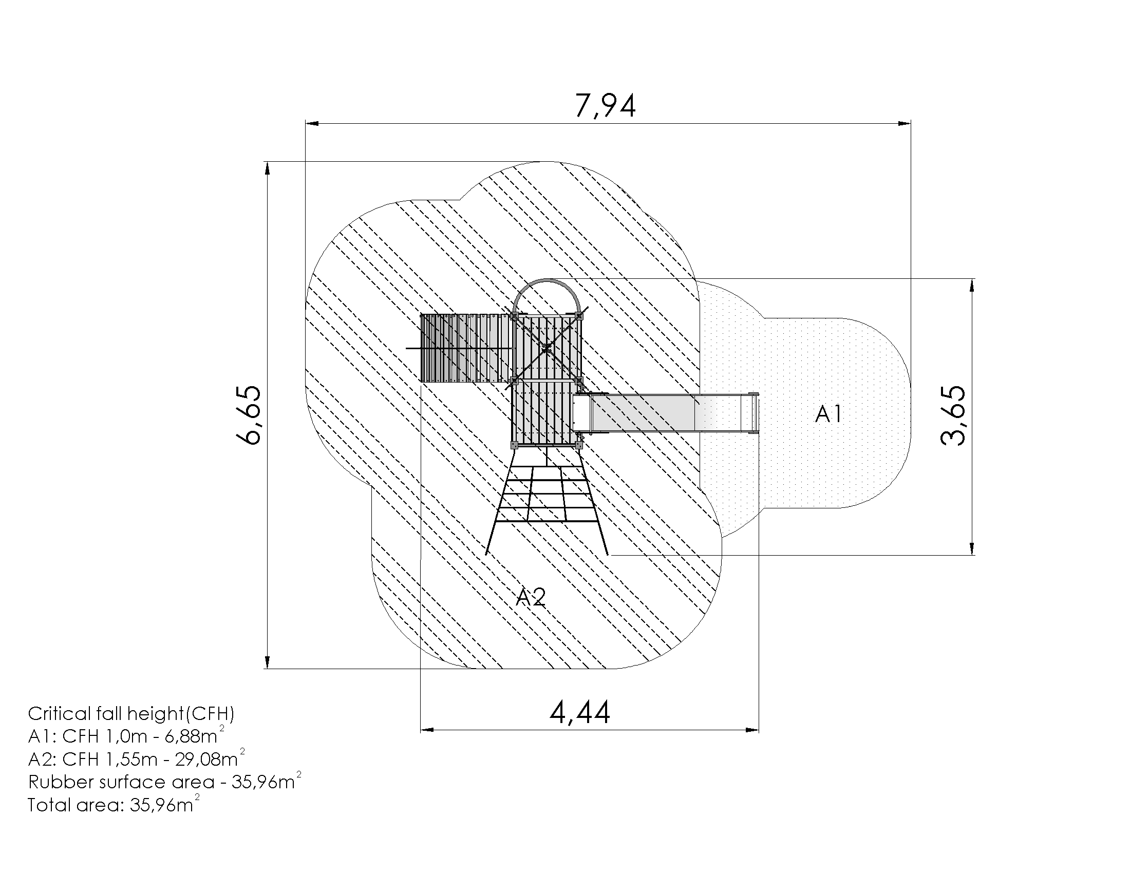
Play centre with two platforms, accessed via an arched path or a net slope. A slide a the firemans pole offer a way to slide down. The side panels of the play centre can be switched for various activity walls or thematic printed panels (animals, birds, fish, trees, berries, etc.). The design of the panels will be finalised with the client during ordering.
